

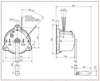
Aus Grauguss – hochstabil und langlebig –
• Größter Lasthub pro Kurbelumdrehung
• Große Seilaufnahme
• Flexible Wandmontage
• Auf Wunsch mit umklappbarem Kurbelgriff
• Kompakte Bauform
• Korrosionsbeständig (optional mit Sonderkonservierung)
• Wartungsfrei


